One-Line Diagram for Electrical Systems: Why It Matters and How It Works

How to Read a Single Line Diagram

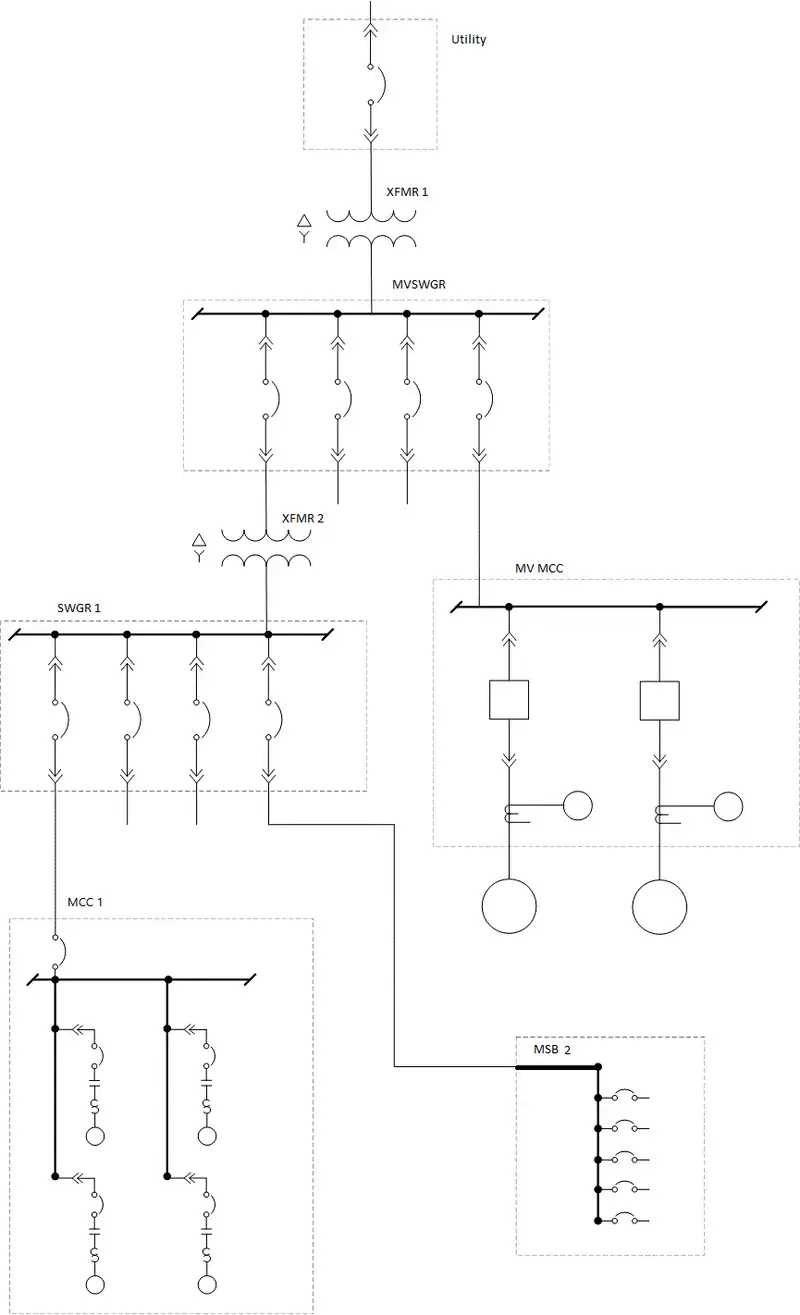
Image courtesy of EECO. Used with reference to the original article:
‘How to Read a Single-Line Diagram’ available at eecoonline.com.

Electrical systems are inherently complex, involving multiple power sources, circuit breakers, transformers, and load distribution components. Managing and maintaining these systems efficiently requires a clear and structured representation of their design. This is where a One-Line Diagram becomes an invaluable tool. 

A One-Line Diagram (also known as a Single-Line Diagram) is a simplified way to illustrate electrical systems. It helps engineers, electricians, and facility managers quickly understand how power flows through a system, making it easier to troubleshoot, maintain, and ensure compliance with electrical safety standards. 

In this article, we’ll explore what a One-Line Diagram is, why it is essential, and how it benefits electrical systems. We’ll also discuss how you can keep it updated for optimal performance and how C&H Electric can assist with your electrical documentation needs. 

The term One-Line Diagram comes from its method of representation. Instead of displaying individual conductors for each phase in a power system, it condenses the information into a single line per electrical path. 

What is a One-Line Diagram?

A One-Line Diagram is a graphical representation of an electrical power system, illustrating the components and their connections using standardized symbols. Unlike detailed wiring diagrams, which show every conductor and connection in a system, a One-Line Diagram provides a high-level overview of how power flows from the source to the loads. 

It typically includes:

A One-Line Diagram includes essential electrical components such as:

  • Power Sources – Generators, utility connections, transformers.
  • Protective Devices – Circuit breakers, fuses, relays.
  • Loads – Motors, HVAC systems, lighting, and equipment.
  • Conductors – Busbars and cables that transmit power.
 

One-Line Diagrams are crucial for electrical design, safety analysis, and maintenance planning, making them an essential tool for any facility with a complex electrical system. 

Why is it Called a “One-Line” Diagram?

The term One-Line Diagram comes from its method of representation. Instead of displaying individual conductors for each phase in a power system, it condenses the information into a single line per electrical path. 

How it Works:

  • A three-phase electrical system, which typically has three conductors, is represented with a single line to simplify visualization. 
  • Symbols and notations indicate the actual connections, loads, and protective elements involved in the system. 
  • The one-line format makes it easier to analyze system capacity, coordination, and fault points without overwhelming details.
 

This streamlined approach allows engineers and maintenance teams to quickly assess and troubleshoot electrical networks, ensuring better efficiency and safety. 

Why Do You Need a One-Line Diagram?

A One-Line Diagram is not just a technical document; it is a critical asset for electrical system management. Here’s why every facility should have one:

  1. Enhancing Electrical Safety & Compliance
    • Ensures compliance with NFPA 70E, NEC, and OSHA regulations. 
    • Identifies potential hazards, reducing the risk of arc flash incidents, overloading, and short circuits. 
  1. Simplifies Troubleshooting & Maintenance
    • Helps technicians locate and isolate faults faster, reducing downtime. 
    • Aids in predictive maintenance by revealing weak points in the system before they cause failures. 
  1. Essential for System Expansion & Modifications
    • Provides a roadmap for future upgrades and new installations. 
    • Ensures balanced load distribution and breaker coordination. 
  1. Supports Electrical Risk Assessments
    • Crucial for arc flash analysis, short-circuit studies, and load calculations. 
    • Helps detect overloaded circuits and improper configurations. 
  1. Saves Time & Reduces Costs
    • Prevents unnecessary repairs and expensive emergency maintenance. 
    • Minimizes downtime by allowing faster, more efficient system analysis.
 

Without a One-Line Diagram, facilities risk inefficiencies, compliance violations, and potential safety hazards. 

Key Benefits of One-Line Diagrams

A well-maintained One-Line Diagram provides several advantages:

 

Key Benefits of One-Line Diagrams

Maintaining and Updating Your One-Line Diagram

Having a One-Line Diagram is only beneficial if it remains accurate. Over time, electrical systems evolve due to load changes, equipment upgrades, and expansions. Regular updates ensure that your documentation reflects the current state of your system. 

Maintaining and Updating Your One-Line Diagram

  • Annually for commercial and industrial facilities. 
  • After major electrical modifications, such as new panel installations or system reconfigurations. 
  • Following electrical incidents, such as a power failure or arc flash event. 

Best Practices for Keeping One-Line Diagrams Current

  • Conduct regular electrical system audits to verify accuracy. 
  • Ensure panel schedules and circuit identifiers align with the diagram. 
  • Integrate updates when modifying power distribution or installing new breakers. 
  • Store diagrams digitally and in printed format for accessibility.
 

Maintaining an accurate and updated One-Line Diagram is essential for preventing electrical failures and ensuring compliance with safety regulations. 

Implementing One-Line Diagrams with C&H Electric

At C&H Electric, we specialize in creating and maintaining One-Line Diagrams to support your facility’s safety, efficiency, and compliance needs. 

  • Expert Electrical Documentation – Our team ensures detailed and accurate system representation. 
  • Regulatory Compliance – We help businesses maintain NFPA 70E, NEC, and OSHA compliance. 
  • Custom Solutions – We tailor diagrams to fit your facility’s unique electrical infrastructure. 
  • Ongoing Maintenance & Updates – We ensure your diagrams stay current and effective.
 

A One-Line Diagram is more than a document—it’s a foundation for electrical system safety and efficiency. Let C&H Electric help you implement one today!